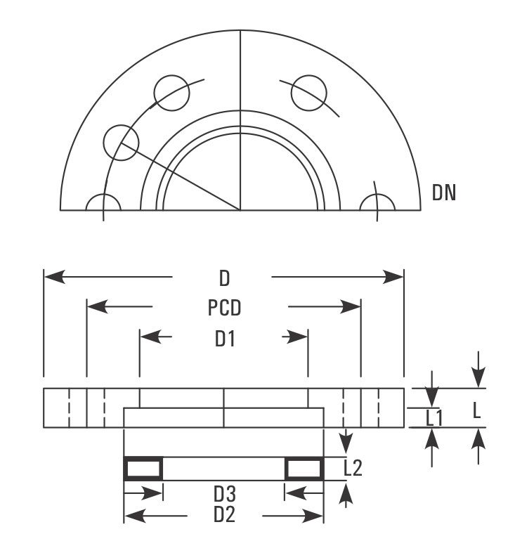
Bellow flanges are used to fit a bellow to a glass component. Standard Bellow are made Cast Iron. Cast Iron with Epoxy Coated, Cast Iron with PTFE coated, Aluminum, Silumin, Stainless Steel 304 & 316 and are used in FBV, VB, FB type bellow. These are provided with two holes at 180° for Distance — locking bolts and are supplied with a split ring.
| CAT.REF. | DN | D | D1 | D2 | D3 | L | L1 | L2 |
|---|---|---|---|---|---|---|---|---|
| BF0.5 | 12 | 50 | 25 | 28 | 20 | 6 | 3 | 6 |
| BF0.7 | 15 | 65 | 29 | 37 | 22 | 6 | 3 | 6 |
| BF1* | 25 | 95 | 43 | 51 | 33 | 7 | 3 | 6 |
| BF1.5* | 40 | 110 | 58 | 66 | 45 | 7 | 3 | 6 |
| BF2* | 50 | 120 | 70 | 81 | 57 | 7 | 3 | 6 |
| BF3* | 80 | 155 | 101 | 112 | 84 | 7 | 3 | 6 |
| BF4* | 100 | 200 | 134 | 148 | 113 | 8 | 3 | 6 |
| BF6* | 150 | 275 | 186 | 196 | 164 | 8 | 3 | 6 |
| BF9* | 225 | 350 | 260 | 282 | 234 | 8 | 3 | 6 |
| BF12 | 300 | 425 | 342 | 363 | 310 | 10 | 5 | 8 |
| CAT.REF. | PCD | n x dØ | n x d1Ø |
|---|---|---|---|
| BF0.5 | 38 | 3 x 9Ø | 2 x 9Ø |
| BF0.7 | 48 | 3 x 9Ø | 2 x 9Ø |
| BF1 | 70 | 3 x 9Ø | 2 x 9Ø |
| BF1.5 | 86 | 3 x 9Ø | 2 x 9Ø |
| BF2 | 98 | 3 x 9Ø | 2 x 9Ø |
| BF3 | 133 | 6 x 9Ø | 2 x 9Ø |
| BF4 | 178 | 6 x 9Ø | 2 x 9Ø |
| BF6 | 254 | 6 x 9Ø | 2 x 9Ø |
| BF9 | 310 | 8 x 11Ø | 2 x 11Ø |
| BF12 | 395 | 12 x 11Ø | 2 x 11Ø |
Note : * marked items are available fast.