Measurement And Control

Digital Temperature Indicator

These are generally used as headersof shell and tube heat exchangersand columns.

This instrument is mainly used to monitor the temperature of liquid in a glass vessel in a typical Glass Distillation Unit.

The instrument consists of a Temperature indicator and a Resistance Temperature Detectors (RTD). The instrument works on 230V, 50Hz power supply. This displays the temperature in degree Centigrades in three and half digits of 12.5mm character height.

Best, Top, We serve  Long Lasting, Measurement And Control, Measurement And Control Products, Manufacturer, Supplier, Seller in Canada, in the USA, in North America, Goel Scientific Glass  Canada
Best, Top, We serve  Long Lasting, Measurement And Control, Measurement And Control Products, Manufacturer, Supplier, Seller in Canada, in the USA, in North America, Goel Scientific Glass  Canada
CAT. REF. Vessel size RTD Length
DTI20 20 400
DTI50 50 500
DTI100 100 600
DTI200 200 700

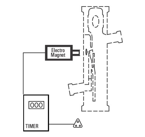
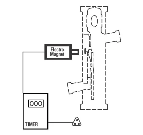
Electro-magnets

Electro - magnets are used to operate Magnetically operated Reflux dividers. When 'On ' the magnet attracts the swinging funnel of the reflux divider so that distillate can be taken off.Electro-magnets are to be mounted outside the glass column, just near to the reflux divider, with the help of adjustable fittings. These are designed to use with Timers to maintain correct ratio between 'Off' and 'On' timings of its activation. Electro-magnets work on 220V DC power supply, for which a output socket is provided in the Timers.

Best, Top, We serve  Long Lasting, Measurement And Control, Measurement And Control Products, Manufacturer, Supplier, Seller in Canada, in the USA, in North America, Goel Scientific Glass  Canada
Best, Top, We serve  Long Lasting, Measurement And Control, Measurement And Control Products, Manufacturer, Supplier, Seller in Canada, in the USA, in North America, Goel Scientific Glass  Canada
CAT. REF. Type
RPM Non-flameproof
RPF Flameproof

Timers

Timers are designed to use with Electro- magnets to provide a correct ratio of refluxand distillate when operating a Magnetically operated reflux divider.

Timers work on a power supply of 230V, 50Hz.

Cat. Ref. Type
QRT Flameproof
Reactor Catalogue Lab Catalogue QVF Catalogue
Inquiry Call WhatsApp