Column adaptors with DN2 of different size(maximum equaling to DN1) can be manufactured with the same dimensions.
| CAT. REF. | DN | DN1 | DN2 | L | L1 | L2 |
|---|---|---|---|---|---|---|
| CA3/1/1 | 80 | 25 | 25 | 150 | 75 | 100 |
| CA3/1.5/1 | 80 | 40 | 25 | 175 | 100 | 100 |
| CA3/2/1 | 80 | 50 | 25 | 175 | 100 | 100 |
| CA4/1/1 | 100 | 25 | 25 | 150 | 75 | 125 |
| CA4/1.5/1 | 100 | 40 | 25 | 175 | 100 | 125 |
| CA4/2/1 | 100 | 50 | 25 | 225 | 125 | 125 |
| CA4/3/1 | 100 | 80 | 25 | 225 | 125 | 125 |
| CA6/1/1 | 150 | 25 | 25 | 200 | 100 | 150 |
| CA6/1.5/1 | 150 | 40 | 25 | 200 | 100 | 150 |
| CA6/2/1 | 150 | 50 | 25 | 250 | 125 | 150 |
| CA6/3/1 | 150 | 80 | 25 | 250 | 150 | 150 |
| CA6/4/1 | 150 | 100 | 25 | 275 | 150 | 175 |
| CA9/1.5/1.5 | 225 | 40 | 40 | 250 | 150 | 175 |
| CA9/2/1.5 | 225 | 50 | 40 | 250 | 150 | 175 |
| CA9/3/1.5 | 225 | 80 | 40 | 300 | 175 | 200 |
| CA9/4/1.5 | 225 | 100 | 40 | 350 | 175 | 200 |
| CA9/6/1.5 | 225 | 150 | 40 | 400 | 200 | 250 |
| CA12/1.5/1.5 | 300 | 40 | 40 | 300 | 150 | 225 |
| CA12/2/1.5 | 300 | 50 | 40 | 300 | 150 | 225 |
| CA12/3/1.5 | 300 | 80 | 40 | 300 | 150 | 250 |
| CA12/4/1.5 | 300 | 100 | 40 | 350 | 175 | 250 |
| CA12/6/1.5 | 300 | 150 | 40 | 425 | 225 | 250 |
| CA12/9/1.5 | 300 | 225 | 40 | 450 | 225 | 300 |
| CA16/2/2 | 400 | 50 | 50 | 400 | 200 | 300 |
| CA16/3/2 | 400 | 80 | 50 | 450 | 250 | 300 |
| CA16/4/2 | 400 | 100 | 50 | 450 | 250 | 300 |
| CA16/6/2 | 400 | 150 | 50 | 550 | 300 | 350 |
| CA16/9/2 | 400 | 225 | 50 | 550 | 300 | 350 |
| CA18/2/2 | 450 | 50 | 50 | 400 | 200 | 325 |
| CA18/3/2 | 450 | 80 | 50 | 450 | 250 | 350 |
| CA18/4/2 | 450 | 100 | 50 | 450 | 250 | 350 |
| CA18/6/2 | 450 | 150 | 50 | 550 | 300 | 350 |
| CA18/9/2 | 450 | 225 | 50 | 550 | 300 | 400 |
| CA18/12/2 | 450 | 300 | 50 | 750 | 400 | 400 |
| CA24/2/2 | 600 | 50 | 50 | 450 | 200 | 400 |
| CA24/3/2 | 600 | 80 | 50 | 500 | 250 | 400 |
| CA24/4/2 | 600 | 100 | 50 | 500 | 250 | 400 |
| CA24/6/2 | 600 | 150 | 50 | 650 | 300 | 450 |
| CA24/9/2 | 600 | 225 | 50 | 650 | 300 | 450 |
| CA24/12/2 | 600 | 300 | 50 | 800 | 400 | 500 |
Note: marked items are available fast.
These are generally used as headersof shell and tube heat exchangers and columns.
| CAT.REF. | DN | DN1 | L | L1 |
|---|---|---|---|---|
| CA3/1 | 80 | 25 | 100 | 75 |
| CA3/1.5 | 80 | 40 | 125 | 100 |
| CA4/1 | 100 | 25 | 100 | 75 |
| CA4/1.5 | 100 | 40 | 125 | 100 |
| CA6/1 | 150 | 25 | 150 | 100 |
| CA6/1.5 | 150 | 40 | 150 | 100 |
| CA6/2 | 150 | 50 | 200 | 125 |
| CA6/3 | 150 | 80 | 200 | 150 |
| CA9/1.5 | 225 | 40 | 200 | 150 |
| CA9/2 | 225 | 50 | 200 | 150 |
| CA9/3 | 225 | 80 | 250 | 175 |
| CA9/4 | 225 | 100 | 250 | 175 |
| CA12/2 | 300 | 50 | 250 | 150 |
| CA12/3 | 300 | 80 | 250 | 150 |
| CA12/4 | 300 | 100 | 300 | 175 |
| CA12/6 | 300 | 150 | 350 | 225 |
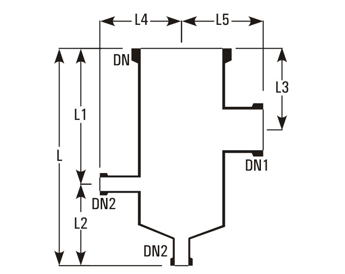
| CAT.REF. | DN | DN1 | DN2 | L | L1 | L2 | L3 | L4 | L5 |
|---|---|---|---|---|---|---|---|---|---|
| CAM4/2/1/1 | 100 | 50 | 25 | 450 | 300 | 150 | 200 | 125 | 125 |
| CAM6/3/1/1 | 150 | 80 | 25 | 450 | 300 | 150 | 200 | 150 | 150 |
| CAM9/3/1/1 | 225 | 80 | 25 | 450 | 300 | 150 | 200 | 175 | 200 |
| CAM12/3/1/1 | 300 | 50 | 25 | 450 | 300 | 150 | 200 | 225 | 250 |