Bromine Recovery

Bromine is available in the sea bittern, as well as Industrial waste e.g. Aq. HBr / Aq. NaBr / Aq. KBr. The Bromine concentration in the feedstock varies from 2 gpl to 300 gpl from industry to industry.

Goel Glass Inc Offer suitable bromine recovery plant for the various feedstock based on his 20 years expertise in this field. Goel Glass Inc suggest cold process for bromine concentration below 3 gpl and Hot process above 3 gpl.

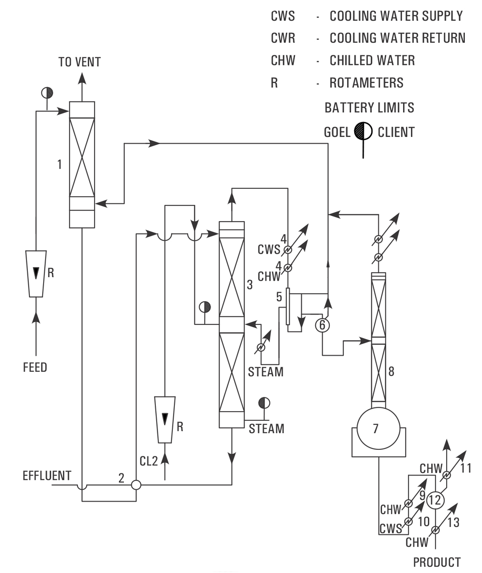
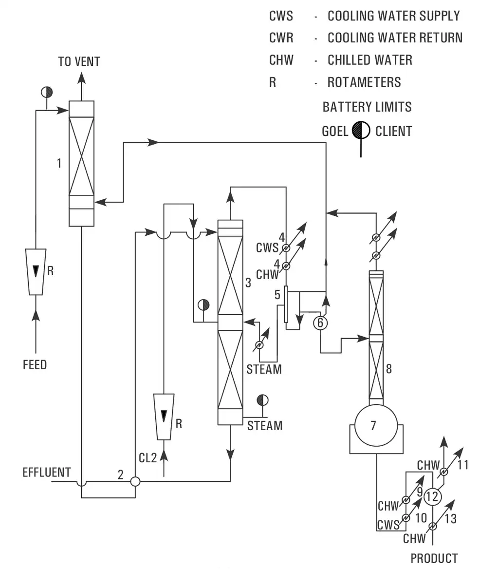
Bromine Recovery considered is schematically shown in Drawing. enclosed herewith.

01

Process Of Bromine Recovery :

The process of Bromine Recovery consists of simultaneous chlorination & steam blowing. The feed stock acidic in nature is preheated to near its boiling in feed pre heater and then fed to the main column where steam and chlorine are blown simultaneously. The bromine as set free by chlorine are steam distilled. The liberated bromine together with steam and some excess chlorine is condensed in the condenser. The condensate is taken to a gravity separator where bromine and bromine water are separated. While bromine is taken in the purification column the aq. layer is recycled into the main column. Crude bromine is purified under reflux and pure bromine is collected in the receiver. All uncondensed vapour pass through the tail scrubber to recover the last traces of bromine.

Best, Top, We serve  Quality Bromine Recovery, Quality Bromine Recovery with Know-how Manufacturers, Supplier, Seller in Canada, USA, and  North America, Goel Scientific Glass
SR. DESCRIPTION
1 TAIL SCRUBBER
2 FEED PREHEATER
3 Br2 STRIPPING COLUMN
4 Br2 CONDENSERS
5 PHASE SEPERATOR
6 CRUDE Br2 RECEIVING VESSEL
7 REBOLIER
8 PURIFICATION COLUMN
9 PRODUCT COOLER
10 PRODUCT COOLER
11 VENT CONDENSER
12 PRODUCT RECEIVER VESSEL
13 PRODUCT COOLER
Best, Top, We serve  Quality Bromine Recovery, Quality Bromine Recovery with Know-how Manufacturers, Supplier, Seller in Canada, USA, and  North America, Goel Scientific Glass
Best, Top, We serve  Quality Bromine Recovery, Quality Bromine Recovery with Know-how Manufacturers, Supplier, Seller in Canada, USA, and  North America, Goel Scientific Glass
Reactor Catalogue Lab Catalogue QVF Catalogue
Inquiry Call WhatsApp