Solvent Extraction Unit

Solvent Extraction Unit

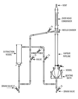
Liquid-liquid Extraction Unit

Liquid extraction, sometimes called solvent extraction, is the separation of constituents of a liquid solution by contact with another insoluble liquid. The unit described here is for a semi-batch operation.

The liquid to be extracted is poured into an extraction vessel. Solvent is boiled in a reboiler vessel and condensed in an overhead condenser, the condensed liquid collecting in a reflux divider and passing through pipework to the extraction vessel. The pipework incorporates valves in order that the solvent can enter the extraction vessel at either the base of the top, depending on the relative densities of the solvent and liquid to be extracted. The solvent and the extracted liquid pass back to the reboiler and the process is repeated until the extraction is complete. The extraction vessel is then drained and the solvent evaporated from the reboiler vessel and collected in the extraction vessel enabling the two liquids to be drained from their respective vessels.

The units are available in vessel sizes of 20, 50, 100, 200 & 300 L and is suitable for operation under atmospheric pressure.

Best, Top, We serve the , Long Lasting, Solvent Extraction, Extraction Unit  wide range manufacturing in Canada, USA North America, Goel Scientific Ontario, BC Alberta, Quebec
Unit Cat.Ref. Reactor Capacity BATH KW VAPOUR LINE EXTRACTION VESSEL CONDENSER M2
LLU10 10 L 3.00 40mmx1m 10 L 0.35
LLU20 20 L 4.00 50mmx1m 20 L 0.50
LLU50 50 L 6.00 80mmx1m 50 L 1.50
LLU100 100 L 9.00 100mmx1m 100 L 1.50
LLU200 200 L 12.00 150mmx1m 200 L 2.25
LLU300 300 L 18.00 225mmx1m 300 L 4.00

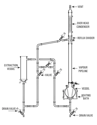
Solid-liquid Extraction Unit

This operation involves preferential solublising of one or more soluble constituents (solutes) of a solid mixture by a liquid solvent. The unit described here is for a semi-batch operation.

The solid to be extracted is put inside a glass fiber bag and placed in an extraction vessel. Solvent from the reboiler is continuously evaporated, condensed and circulated through a reflux divider by means of piping network and valves. When desired/ steady concentration of solute is achieved in the solution the operation is discontinued. The solution is drained off and collected for further use.

After charging fresh solid in fiber bag and solvent in reboiler, the cycle can be restarted again.

The units are available in vessel sizes of 20, 50, 100, 200 & 300 L and is suitable for operation under atmospheric pressure.

Best, Top, We serve the , Long Lasting, Solvent Extraction, Extraction Unit  wide range manufacturing in Canada, USA North America, Goel Scientific Ontario, BC Alberta, Quebec
Unit Cat.Ref. Reactor Capacity BATH KW VAPOUR LINE EXTRACTION VESSEL CONDENSER M2
SLU10 10 L 3.00 40mmx1m 10 L 0.35
SLU20 20 L 4.00 50mmx1m 20 L 0.50
SLU50 50 L 6.00 80mmx1m 50 L 1.50
SLU100 100 L 9.00 100mmx1m 100 L 1.50
SLU200 200 L 12.00 150mmx1m 200 L 2.25
SLU300 300 L 18.00 225mmx1m 300 L 4.00

LIQUID LIQUID EXTRACTION UNIT-10 LTRS

Best, Top, We serve the , Long Lasting, Solvent Extraction, Extraction Unit  wide range manufacturing in Canada, USA North America, Goel Scientific Ontario, BC Alberta, Quebec
Reactor Catalogue Lab Catalogue QVF Catalogue
Inquiry Call WhatsApp